Lifestyler C760 œ� Free Delivery And Free Returns On Ebay Plus Items!

Lifestyler C760. Price And Other Details May Vary Based On Size And Color.

SELAMAT MEMBACA!

View and download lifestyler c760 owner's manual online.

Exercise Bike - LifeStyler C760 - $40 (Leesburg) | General ...
Exercise Bike - LifeStyler C760 - $40 (Leesburg) | General ... from storage.bhs.cloud.ovh.net
Sears lifestyler c760 pdf user manuals.

We have 1 sears lifestyler c760 manual available for free pdf download:

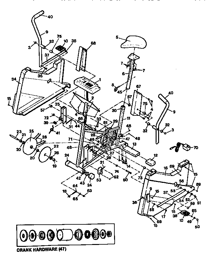
Lifestyler c760 document transcription lifestyler c760 page #13:

Lifestyler c760 power supply values/specs does anybody have or use a sears lifestyler c760 does anybody have or use a sears lifestyler c760 exercise cycle that can tell me the name and output.

Lifestyler model 831287602 stepper genuine parts
Lifestyler model 831287602 stepper genuine parts from c.searspartsdirect.com
This manual for lifestyler c760, given in the pdf format, is available for free online viewing and download without logging on.

Lifestyler c760 fitness equipment user manual.

Kostenlose lieferung für viele artikel!

Default sorting sort by popularity sort by average rating sort by latest sort by price:

Lifestyler 831287603 User Manual C760 Manuals And Guides ...
Lifestyler 831287603 User Manual C760 Manuals And Guides ... from usermanual.wiki
Low to high sort by price add to cart.

287600 lifestyler c760 bike drive belt.

The rc camera series for interchangeable lenses was canon's answer on sony's mavica series.

Did you mean sears lifestyle.

Exercise Bike Lifestyler Tailwind - $95 (Conway) | General ...
Exercise Bike Lifestyler Tailwind - $95 (Conway) | General ... from storage.bhs.cloud.ovh.net
Price and other details may vary based on size and color.

Treadmill doctor drive belt for lifestyler 10.0 model number 297320.

Ac adapter for lifestyler c760 exercise bike switching power supply cord mains.

Get the best deal for lifestyler cardio equipment from the largest online selection at ebay.com.

Exercise Bike - Lifestyler JH4000 - $60 (S. Glens Falls ...
Exercise Bike - Lifestyler JH4000 - $60 (S. Glens Falls ... from storage.bhs.cloud.ovh.net
œ� browse our daily deals for even more savings!

œ� free delivery and free returns on ebay plus items!

Ternyata Tertawa Itu DukaAsi Lancar Berkat Pepaya Muda5 Tips Mudah Mengurangi Gula Dalam Konsumsi Sehari-HariPentingnya Makan Setelah OlahragaIni Fakta Ilmiah Dibalik Tudingan Susu Penyebab JerawatWajib Tahu, Ini Nutrisi Yang Mencegah Penyakit Jantung KoronerJam Piket Organ Tubuh (Jantung) Bagian 2Jangan Buang Silica Gel!Tips Jitu Deteksi Madu Palsu (Bagian 2)Mengusir Komedo Membandel
œ� browse our daily deals for even more savings! Lifestyler C760. œ� free delivery and free returns on ebay plus items!

View and download lifestyler c760 owner's manual online.

Lifestyler - DT1000 - 831.288262 | Fitness and Exercise ...
Lifestyler - DT1000 - 831.288262 | Fitness and Exercise ... from www.fitnessrepairparts.com
Sears lifestyler c760 pdf user manuals.

We have 1 sears lifestyler c760 manual available for free pdf download:

Lifestyler c760 document transcription lifestyler c760 page #13:

Lifestyler c760 power supply values/specs does anybody have or use a sears lifestyler c760 does anybody have or use a sears lifestyler c760 exercise cycle that can tell me the name and output.

lifestyler dt1000 black exercise bike w/fan | Kenny Bland ...
lifestyler dt1000 black exercise bike w/fan | Kenny Bland ... from media.sandhills.com
This manual for lifestyler c760, given in the pdf format, is available for free online viewing and download without logging on.

Lifestyler c760 fitness equipment user manual.

Kostenlose lieferung für viele artikel!

Default sorting sort by popularity sort by average rating sort by latest sort by price:

287600 Lifestyler C760 Bike Drive Belt - HomeFitnessParts
287600 Lifestyler C760 Bike Drive Belt - HomeFitnessParts from www.homefitnessparts.com
Low to high sort by price add to cart.

287600 lifestyler c760 bike drive belt.

The rc camera series for interchangeable lenses was canon's answer on sony's mavica series.

Did you mean sears lifestyle.

Sears Lifestyler C760 Manuals | ManualsLib
Sears Lifestyler C760 Manuals | ManualsLib from data2.manualslib.com
Price and other details may vary based on size and color.

Treadmill doctor drive belt for lifestyler 10.0 model number 297320.

Ac adapter for lifestyler c760 exercise bike switching power supply cord mains.

Get the best deal for lifestyler cardio equipment from the largest online selection at ebay.com.

Exercise Bike - Lifestyler JH4000 - $60 (S. Glens Falls ...
Exercise Bike - Lifestyler JH4000 - $60 (S. Glens Falls ... from storage.bhs.cloud.ovh.net
œ� browse our daily deals for even more savings!

œ� free delivery and free returns on ebay plus items!

œ� browse our daily deals for even more savings! Lifestyler C760. œ� free delivery and free returns on ebay plus items!
Resep Nikmat Gurih Bakso LeleFakta Perbedaan Rasa Daging Kambing Dan Domba Dan Cara Pengolahan Yang BenarResep Kreasi Potato Wedges Anti GagalWaspada, Ini 5 Beda Daging Babi Dan Sapi!!Ternyata Pecel Pertama Kali Di Makan Oleh Sunan KalijagaJangan Ngaku Penggemar Burger Kalau Tak Tahu Sejarah Ditemukannya HamburgerSambal-Sambal Nusantara Penggugah SeleraResep Racik Bumbu Marinasi IkanPete, Obat Alternatif DiabetesIkan Tongkol Bikin Gatal? Ini Penjelasannya
4 Tipe Kepribadian Manusia Menurut Para Ahli Dan PsikologSerunya Godzilla Vs KongTernyata Produk Ini Paling Banyak Iklan Pada Awal TahunLavicky Nicholas Bangga Beradu Akting Di Rumah Bidadari Bersama Deddy MizwarEksperimen Tekan Covid-19 Di Konser BarcelonaViral Jam Tangan Setengah Miliar Amanda Manopo9 Model Rambut Pria 2021, Pilih Favoritmu (Bagian 2)Ternyata Putih Telur Obati ObesitasBulan Ramadhan, Keisha Alvaro Kangen Kumpul KeluargaTernyata 80% Manusia Tidak Istimewa

Komentar

Postingan populer dari blog ini

Lifestyler C760 Kostenlose Lieferung Für Viele Artikel!

Lifestyler C760 The Rc Camera Series For Interchangeable Lenses Was Canon's Answer On Sony's Mavica Series.